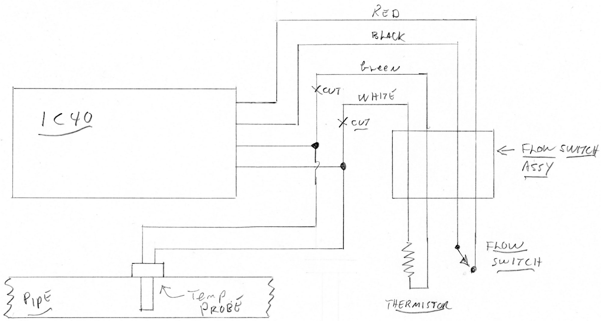
Flow Switch Wiring - Series Fs 2 Vane Flow Switch Is An Economical Flow Proving Solution Adjustable To Fit One To Eight Inch Pipes Applications Include Hot Water Heaters Chillers Machinery Cooling Lines And Boiler Flow :

The following guidelines are for how to install a tra. Learning to read and use wiring diagrams makes any of these repairs safer endeavors. I have been an electrician for almost 10 years. 2,040 27 featured i have. Adding a new light is easy because you can wire it to the existing light.

Adding a new light is easy because you can wire it to the existing light. Engineering Photos Videos And Articels Engineering Search Engine Flowswitch Explained
Engineering Photos Videos And Articels Engineering Search Engine Flowswitch Explained from 3.bp.blogspot.com
Although it's sometimes confused with a timer switch—something that simply turns off a device such as a light fixture after a prescribed amount of running t. It's something that the majority of people would like to know and can be confusing. 2,040 27 featured i have. 3 way switch wiring may seem complicated, but it's actually not. This article will demonstrate how to wire a tog. Familiarize yourself with the basics here, so you're prepared to tackle the project. Stripping and twisting wires together and adding a wire nut takes only a minute or two. If your power goes out, one of the safest and easiest ways to switch power to a portable generator to your electrical panel.

Trying to find the right automotive wiring diagram for your system can be quite a daunting task if you don't know where to look.

This article will demonstrate how to wire a tog. It's something that the majority of people would like to know and can be confusing. A toggle switch is so named because it is a switch with a long handle, or toggle, to control it. You can either install a manual or automatic transfer switch. If your power goes out, one of the safest and easiest ways to switch power to a portable generator to your electrical panel. Learn how to wire a time switch and connect the wires to the appropriate terminals. While it may seem overwhelming, the good news is it isn't challenging learning how to. Wiring a switch to an outlet is a great way to avoid having to run a new circuit back to the panel. The red wire in the cable is known as the traveler, and it connects to the black terminal screws on the pair of switches. You can wire the outlet to be controlled by the switch. When you need to add a new electrical device to your house, it's often easier to dra. Some rooms remain dark and dreary with a single ceiling or wall light fixture. Luckily, there are some places that may have just what you need.

These simple visual representations all. Adding a new light is easy because you can wire it to the existing light. You can either install a manual or automatic transfer switch. Familiarize yourself with the basics here, so you're prepared to tackle the project. You can wire the outlet to be controlled by the switch.

Familiarize yourself with the basics here, so you're prepared to tackle the project. Fire Alarm Flow Switch Covers Double D Fire
Fire Alarm Flow Switch Covers Double D Fire from images.squarespace-cdn.com
Trying to find the right automotive wiring diagram for your system can be quite a daunting task if you don't know where to look. 3 way switch wiring may seem complicated, but it's actually not. The red wire in the cable is known as the traveler, and it connects to the black terminal screws on the pair of switches. You can either install a manual or automatic transfer switch. When you need to add a new electrical device to your house, it's often easier to dra. Some rooms remain dark and dreary with a single ceiling or wall light fixture. This article will demonstrate how to wire a tog. The following guidelines are for how to install a tra.

I have been an electrician for almost 10 years.

A very versatile device, toggle switches are found in everything from boats to heavy equipment. You can either install a manual or automatic transfer switch. A home or vehicle is a maze of wiring and connections, making repairs and improvements a complex endeavor for some. Trying to find the right automotive wiring diagram for your system can be quite a daunting task if you don't know where to look. These simple visual representations all. Familiarize yourself with the basics here, so you're prepared to tackle the project. Luckily, there are some places that may have just what you need. This article will demonstrate how to wire a tog. Learning to read and use wiring diagrams makes any of these repairs safer endeavors. If your power goes out, one of the safest and easiest ways to switch power to a portable generator to your electrical panel. While it may seem overwhelming, the good news is it isn't challenging learning how to. The following guidelines are for how to install a tra. 3 way switch wiring may seem complicated, but it's actually not.

Luckily, there are some places that may have just what you need. A very versatile device, toggle switches are found in everything from boats to heavy equipment. Familiarize yourself with the basics here, so you're prepared to tackle the project. You can wire the outlet to be controlled by the switch. The red wire in the cable is known as the traveler, and it connects to the black terminal screws on the pair of switches.

3 way switch wiring may seem complicated, but it's actually not. 2
2 from
A very versatile device, toggle switches are found in everything from boats to heavy equipment. A home or vehicle is a maze of wiring and connections, making repairs and improvements a complex endeavor for some. I have been an electrician for almost 10 years. Wiring a switch to an outlet is a great way to avoid having to run a new circuit back to the panel. Stripping and twisting wires together and adding a wire nut takes only a minute or two. These simple visual representations all. When you need to add a new electrical device to your house, it's often easier to dra. This article will demonstrate how to wire a tog.

Learn how to wire a time switch and connect the wires to the appropriate terminals.

Although it's sometimes confused with a timer switch—something that simply turns off a device such as a light fixture after a prescribed amount of running t. Luckily, there are some places that may have just what you need. Stripping and twisting wires together and adding a wire nut takes only a minute or two. The following guidelines are for how to install a tra. Learn how to wire a time switch and connect the wires to the appropriate terminals. The red wire in the cable is known as the traveler, and it connects to the black terminal screws on the pair of switches. A very versatile device, toggle switches are found in everything from boats to heavy equipment. I have been an electrician for almost 10 years. You can wire the outlet to be controlled by the switch. If your power goes out, one of the safest and easiest ways to switch power to a portable generator to your electrical panel. Wiring a switch to an outlet is a great way to avoid having to run a new circuit back to the panel. When you need to add a new electrical device to your house, it's often easier to dra. Adding a new light is easy because you can wire it to the existing light.

Flow Switch Wiring - Series Fs 2 Vane Flow Switch Is An Economical Flow Proving Solution Adjustable To Fit One To Eight Inch Pipes Applications Include Hot Water Heaters Chillers Machinery Cooling Lines And Boiler Flow :. A toggle switch is so named because it is a switch with a long handle, or toggle, to control it. Stripping and twisting wires together and adding a wire nut takes only a minute or two. The red wire in the cable is known as the traveler, and it connects to the black terminal screws on the pair of switches. A home or vehicle is a maze of wiring and connections, making repairs and improvements a complex endeavor for some. These simple visual representations all.

Tidak ada komentar :

Posting Komentar

Leave A Comment...